Vlf Receiver Circuit . The receiver design is a little different from the usual form. A very simple vlf pocket receiver by wilfried fritz, dj1wf. A simple peace of software. In this post we describe the construction and tuning of a magnetic loop antenna whose purpose is reception in the vlf band, to be coupled with a suitable vlf receiver for monitoring sid events (sudden ionospheric disturbances) caused by solar flares. This band has the unique characteristic of. Detecting and listening to vlf signals became so easy since most people own a notebook. The regenerative rf section of the receiver is shown in figure 1a. The very low frequency (vlf) band is located in the frequency range between 3khz and 30khz.
from www.homemade-circuits.com
The receiver design is a little different from the usual form. This band has the unique characteristic of. A simple peace of software. The very low frequency (vlf) band is located in the frequency range between 3khz and 30khz. In this post we describe the construction and tuning of a magnetic loop antenna whose purpose is reception in the vlf band, to be coupled with a suitable vlf receiver for monitoring sid events (sudden ionospheric disturbances) caused by solar flares. The regenerative rf section of the receiver is shown in figure 1a. A very simple vlf pocket receiver by wilfried fritz, dj1wf. Detecting and listening to vlf signals became so easy since most people own a notebook.
Very Low Frequency (VLF) Detector Circuit Homemade Circuit Projects
Vlf Receiver Circuit The regenerative rf section of the receiver is shown in figure 1a. In this post we describe the construction and tuning of a magnetic loop antenna whose purpose is reception in the vlf band, to be coupled with a suitable vlf receiver for monitoring sid events (sudden ionospheric disturbances) caused by solar flares. The regenerative rf section of the receiver is shown in figure 1a. Detecting and listening to vlf signals became so easy since most people own a notebook. A simple peace of software. This band has the unique characteristic of. The receiver design is a little different from the usual form. A very simple vlf pocket receiver by wilfried fritz, dj1wf. The very low frequency (vlf) band is located in the frequency range between 3khz and 30khz.
From www.pe2bz.philpem.me.uk
Build your own VLF Receiver Vlf Receiver Circuit The receiver design is a little different from the usual form. This band has the unique characteristic of. Detecting and listening to vlf signals became so easy since most people own a notebook. A very simple vlf pocket receiver by wilfried fritz, dj1wf. The very low frequency (vlf) band is located in the frequency range between 3khz and 30khz. The. Vlf Receiver Circuit.
From www.mwrs.org.au
January 2016 Lecture VLF signals, receivers and antennas VK2MB Vlf Receiver Circuit A simple peace of software. This band has the unique characteristic of. Detecting and listening to vlf signals became so easy since most people own a notebook. The receiver design is a little different from the usual form. In this post we describe the construction and tuning of a magnetic loop antenna whose purpose is reception in the vlf band,. Vlf Receiver Circuit.
From www.i1wqrlinkradio.com
VLF/LF to 28.5 MHz Receiving Converter Vlf Receiver Circuit The regenerative rf section of the receiver is shown in figure 1a. A very simple vlf pocket receiver by wilfried fritz, dj1wf. A simple peace of software. In this post we describe the construction and tuning of a magnetic loop antenna whose purpose is reception in the vlf band, to be coupled with a suitable vlf receiver for monitoring sid. Vlf Receiver Circuit.
From www.seekic.com
OP_AMP_VLF_RECEIVER Amplifier_Circuit Circuit Diagram Vlf Receiver Circuit In this post we describe the construction and tuning of a magnetic loop antenna whose purpose is reception in the vlf band, to be coupled with a suitable vlf receiver for monitoring sid events (sudden ionospheric disturbances) caused by solar flares. Detecting and listening to vlf signals became so easy since most people own a notebook. A very simple vlf. Vlf Receiver Circuit.
From www.next.gr
> rf > receivers > vlf converter l12939 Next.gr Vlf Receiver Circuit The regenerative rf section of the receiver is shown in figure 1a. The very low frequency (vlf) band is located in the frequency range between 3khz and 30khz. A very simple vlf pocket receiver by wilfried fritz, dj1wf. Detecting and listening to vlf signals became so easy since most people own a notebook. This band has the unique characteristic of.. Vlf Receiver Circuit.
From www.homemade-circuits.com
Very Low Frequency (VLF) Detector Circuit Homemade Circuit Projects Vlf Receiver Circuit The very low frequency (vlf) band is located in the frequency range between 3khz and 30khz. Detecting and listening to vlf signals became so easy since most people own a notebook. In this post we describe the construction and tuning of a magnetic loop antenna whose purpose is reception in the vlf band, to be coupled with a suitable vlf. Vlf Receiver Circuit.
From www.seekic.com
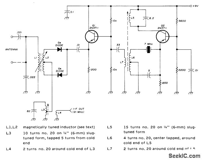
VLF_CONVERTER Basic_Circuit Circuit Diagram Vlf Receiver Circuit The regenerative rf section of the receiver is shown in figure 1a. The receiver design is a little different from the usual form. A simple peace of software. The very low frequency (vlf) band is located in the frequency range between 3khz and 30khz. Detecting and listening to vlf signals became so easy since most people own a notebook. In. Vlf Receiver Circuit.
From makingcircuits.com
Very Low Frequency (VLF) Converter Circuit Vlf Receiver Circuit In this post we describe the construction and tuning of a magnetic loop antenna whose purpose is reception in the vlf band, to be coupled with a suitable vlf receiver for monitoring sid events (sudden ionospheric disturbances) caused by solar flares. This band has the unique characteristic of. Detecting and listening to vlf signals became so easy since most people. Vlf Receiver Circuit.
From www.seekic.com
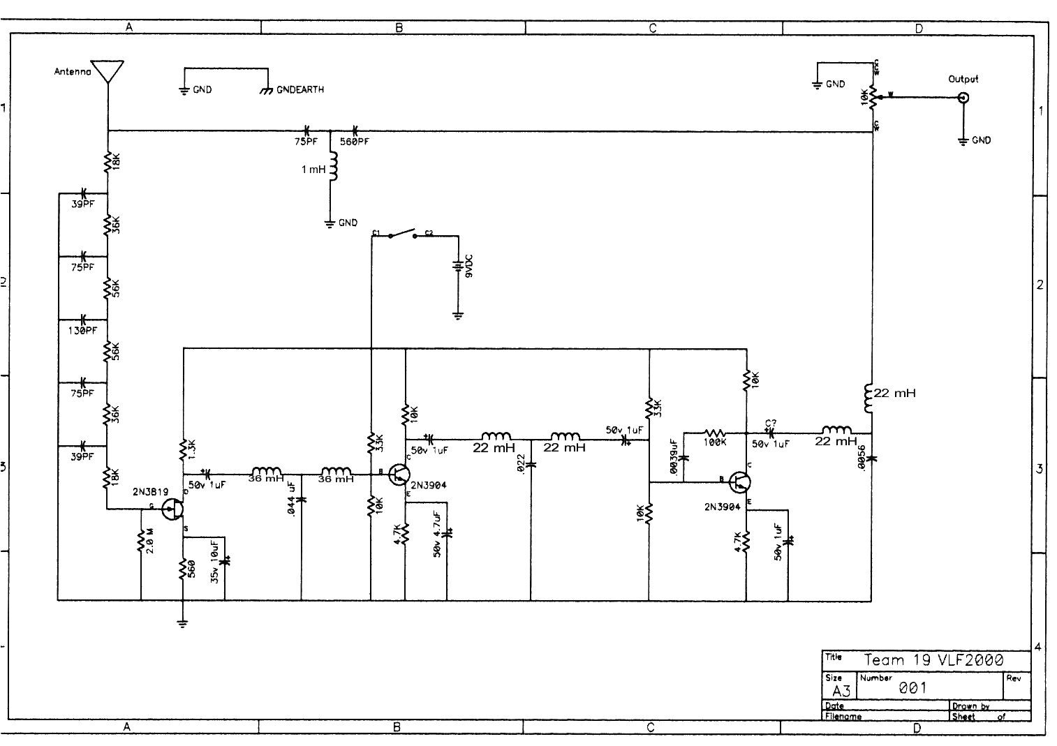
TUNABLE_VLF Audio_Circuit Circuit Diagram Vlf Receiver Circuit In this post we describe the construction and tuning of a magnetic loop antenna whose purpose is reception in the vlf band, to be coupled with a suitable vlf receiver for monitoring sid events (sudden ionospheric disturbances) caused by solar flares. The receiver design is a little different from the usual form. The very low frequency (vlf) band is located. Vlf Receiver Circuit.
From www.youtube.com
VLF AM 21Khz TRANSMITTER & RECEIVER using 2 PC sound cards LIVE demo Vlf Receiver Circuit In this post we describe the construction and tuning of a magnetic loop antenna whose purpose is reception in the vlf band, to be coupled with a suitable vlf receiver for monitoring sid events (sudden ionospheric disturbances) caused by solar flares. The regenerative rf section of the receiver is shown in figure 1a. The receiver design is a little different. Vlf Receiver Circuit.
From psawetu.weebly.com
Schematic vlf receiver psawetu Vlf Receiver Circuit In this post we describe the construction and tuning of a magnetic loop antenna whose purpose is reception in the vlf band, to be coupled with a suitable vlf receiver for monitoring sid events (sudden ionospheric disturbances) caused by solar flares. A simple peace of software. This band has the unique characteristic of. Detecting and listening to vlf signals became. Vlf Receiver Circuit.
From www.homemade-circuits.com
Very Low Frequency (VLF) Detector Circuit Homemade Circuit Projects Vlf Receiver Circuit A simple peace of software. The regenerative rf section of the receiver is shown in figure 1a. The very low frequency (vlf) band is located in the frequency range between 3khz and 30khz. A very simple vlf pocket receiver by wilfried fritz, dj1wf. Detecting and listening to vlf signals became so easy since most people own a notebook. This band. Vlf Receiver Circuit.
From www.home.pon.net
Bfield VLF Receiver Vlf Receiver Circuit This band has the unique characteristic of. The regenerative rf section of the receiver is shown in figure 1a. In this post we describe the construction and tuning of a magnetic loop antenna whose purpose is reception in the vlf band, to be coupled with a suitable vlf receiver for monitoring sid events (sudden ionospheric disturbances) caused by solar flares.. Vlf Receiver Circuit.
From www.home.pon.net
Bfield VLF Receiver Vlf Receiver Circuit This band has the unique characteristic of. The receiver design is a little different from the usual form. A very simple vlf pocket receiver by wilfried fritz, dj1wf. A simple peace of software. In this post we describe the construction and tuning of a magnetic loop antenna whose purpose is reception in the vlf band, to be coupled with a. Vlf Receiver Circuit.
From portia.astrophysik.uni-kiel.de
VLF3 Receiver Vlf Receiver Circuit Detecting and listening to vlf signals became so easy since most people own a notebook. The receiver design is a little different from the usual form. The regenerative rf section of the receiver is shown in figure 1a. A simple peace of software. In this post we describe the construction and tuning of a magnetic loop antenna whose purpose is. Vlf Receiver Circuit.
From www.pe2bz.philpem.me.uk
Paulo Goncalves Web Site VLF Receiver Vlf Receiver Circuit A very simple vlf pocket receiver by wilfried fritz, dj1wf. In this post we describe the construction and tuning of a magnetic loop antenna whose purpose is reception in the vlf band, to be coupled with a suitable vlf receiver for monitoring sid events (sudden ionospheric disturbances) caused by solar flares. This band has the unique characteristic of. Detecting and. Vlf Receiver Circuit.
From talk.dallasmakerspace.org
VLF receiver PCB from Amateur Radio Dallas Makerspace Talk Vlf Receiver Circuit In this post we describe the construction and tuning of a magnetic loop antenna whose purpose is reception in the vlf band, to be coupled with a suitable vlf receiver for monitoring sid events (sudden ionospheric disturbances) caused by solar flares. A very simple vlf pocket receiver by wilfried fritz, dj1wf. The regenerative rf section of the receiver is shown. Vlf Receiver Circuit.
From www.electronixgarage.com
Op Amp Vlf Converter Sales Circuit Design Electronix Garage Vlf Receiver Circuit This band has the unique characteristic of. A very simple vlf pocket receiver by wilfried fritz, dj1wf. The very low frequency (vlf) band is located in the frequency range between 3khz and 30khz. In this post we describe the construction and tuning of a magnetic loop antenna whose purpose is reception in the vlf band, to be coupled with a. Vlf Receiver Circuit.